APM-81交流雙速電梯按鈕電路圖如下圖所示 歡迎轉載,信息來自維庫電子市場網(www.qxvs.cn) 來源:與你同行
分類:電梯控制 時間:2010-02-08 閱讀:4968
APM-81電梯開門機驅動與門區電路圖如下圖所示 歡迎轉載,信息來自維庫電子市場網(www.qxvs.cn) 來源:與你同行
分類:電梯控制 時間:2010-02-08 閱讀:3390
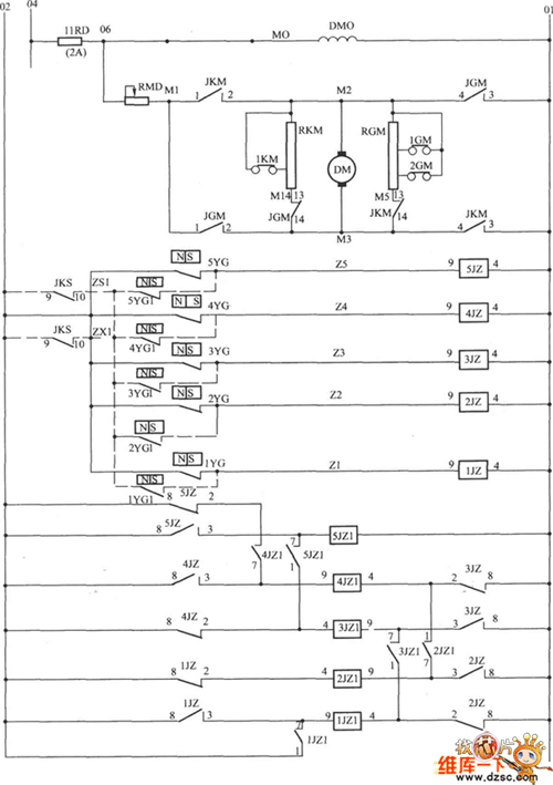
APM-81電梯開門機控制電路圖如下圖所示 歡迎轉載,信息來自維庫電子市場網(www.qxvs.cn) 來源:與你同行
分類:電梯控制 時間:2010-02-08 閱讀:3931
日立VFMG電梯控制電源電路圖如下圖所示 歡迎轉載,信息來自維庫電子市場網(www.qxvs.cn) 來源:與你同行
分類:電梯控制 時間:2010-02-08 閱讀:3775
JKH1-771A電梯按鈕電路圖如下圖所示 歡迎轉載,信息來自維庫電子市場網(www.qxvs.cn) 來源:與你同行
分類:電梯控制 時間:2010-02-05 閱讀:4879
JKH1-771A電梯開門機電路圖如下圖所示 歡迎轉載,信息來自維庫電子市場網(www.qxvs.cn) 來源:與你同行
分類:電梯控制 時間:2010-02-05 閱讀:2467
JKH1-771 A電梯樓層指示燈電路圖如下圖所示 歡迎轉載,信息來自維庫電子市場網(www.qxvs.cn) 來源:與你同行
分類:電梯控制 時間:2010-02-05 閱讀:3565
JKH1-771A電梯指示燈電路圖如下圖所示 歡迎轉載,信息來自維庫電子市場網(www.qxvs.cn) 來源:與你同行
分類:電梯控制 時間:2010-02-05 閱讀:1972
JKH1-771A電梯控制電源電路圖1 JKH1-771A電梯控制電源電路圖2 JKH1-771A電梯控制電源電路圖3 JKH1-771A電梯控制電源電路圖4 歡迎轉載,信息來...
分類:電梯控制 時間:2010-02-05 閱讀:3001
JKH1-771A電梯主電路圖如下圖所示 歡迎轉載,信息來自維庫電子市場網(www.qxvs.cn) 來源:與你同行
分類:電梯控制 時間:2010-02-05 閱讀:2394
JH0一751半自動貨梯控制電路如下圖所示: 歡迎轉載,信息來自維庫電子市場網(www.qxvs.cn) 來源:與你同行
分類:電梯控制 時間:2010-01-28 閱讀:4432


























