繼電器驅動電流一般需要20-40mA或更大,線圈電阻100-200歐姆,因此要加驅動電路。那么繼電器的驅動電路的原理和注意事項有哪些? 1. 晶體管用來驅動繼電器,必須將晶...
分類:繼電器控制 時間:2017-02-07 閱讀:5617
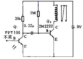
本電路在光敏晶體管和雙極性晶體管之間采用電容性耦合,因而僅響應光線的間斷或者快慢變化,而對云彩或日出引起的環境光線的緩慢變化沒有什么影響。當出現閃光時,繼電器吸...
分類:繼電器控制 時間:2014-05-28 閱讀:1992
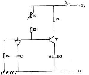
如果要想獲得長時間和易調整的延遲電路,則應由晶體管來控制繼電器電流,并在基極電路上接入RC環節,如圖所示。如果電源電壓、電容C、電流放大系數β有所要求的吸合功率均...
分類:繼電器控制 時間:2014-04-16 閱讀:1844
本文介紹的是一款延遲吸合繼電器開關控制電路圖。如下圖所示,在接通電源后,時間流程開始電容C首先放電而后通過20M 從點電阻充電。
分類:繼電器控制 時間:2014-02-17 閱讀:2260
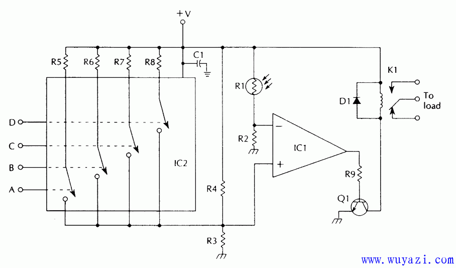
今天為大家介紹一種無電感式模擬繼電器,其電路原理如下圖所示。 圖中,220V電源經負載RL、R1、D1~D4、ZD1,為Q4、Q3在正負半周輪流提供偏置;同時經R3、D5~D8為光電耦合器Q...
分類:繼電器控制 時間:2014-02-07 閱讀:2509
本文今天分享的是一款由晶體管組成的繼電器延時吸合電路。如下圖所示,剛接通電源時,16μF電容上電壓為零,兩個三極管都截止,繼電器不動作。隨著16μF電容的充電,過一段...
分類:繼電器控制 時間:2014-01-07 閱讀:2524
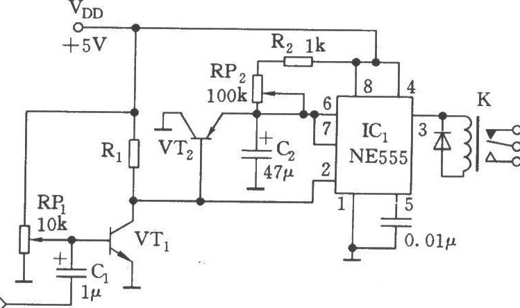
如下圖所示,該電路由聲音檢測電路和單穩觸發電路組成,執行元件為繼電器.VT1完成輸入音頻信號的放大,當有信號來時,使555置位,K吸合。同時,VT2導通,C2上的電荷通過555...
分類:繼電器控制 時間:2013-10-28 閱讀:3285
如下圖所示,下圖是采用繼電器等構成的啟動電路.在電源輸入端接入電阻R,R的作用有二種,其一:可防止開機時對大電容C1的沖擊電流而影響電源本身;其二:使負載獲電延時數秒...
分類:繼電器控制 時間:2013-10-18 閱讀:23186
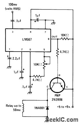
可以構建一個非常簡單的超聲波接近探測器電路使用很少的外部電子元件。正如你可以看到在這里顯示的電路圖,接近探測器電路需要一些外部元件,很容易構造。R4(100k歐姆電位...
分類:繼電器控制 時間:2013-10-17 閱讀:3262
如下圖是晶體管組成的繼電器延時吸合電路.剛接通電源時,16μF電容上電壓為零,兩個三極管都截止,繼電器不動作。隨著16μF電容的充電,過一段時間后,其上電壓達到高電平...
分類:繼電器控制 時間:2013-10-16 閱讀:7810
這個簡單的定時電路貓:具備將0.01秒延遲到約1分鐘的輸出切換功能。可控硅只需幾毫安便能被觸發,從時序網絡R1-C1去給輸出繼電器通電。 來源:panyueyingying
分類:繼電器控制 時間:2011-09-20 閱讀:4725
電路說明:不需要靠一個大的電解型定時容器,該電路可得到可預測延時為0.3毫秒到超過3分鐘。相反,可用一張穩定的低泄露紙或者聚酯電容器來減小定時單結型晶體管Q1的峰間電...
分類:繼電器控制 時間:2011-08-28 閱讀:5623


























