電路工作原理:電路中,HTD與場效應管VT構成聲振動傳感接收與高靈敏度放大電路,Rp為靈敏度調節電位器。lC1、R4、C3構成單穩態延時電路,其延時t=1.1R3·C4≈2min。IC2、R5...
分類:報警控制 時間:2014-11-04 閱讀:1754
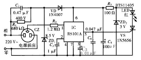
電路工作原理:lC是RS101A型專用漏電保護開關集成電路。LED是BTS11405型頻閃發光二極管,只要接通電源后就町發出閃光。市電經由C1、ZD1、VD組成的電容降壓整流穩壓電路,再...
分類:報警控制 時間:2014-10-31 閱讀:1409
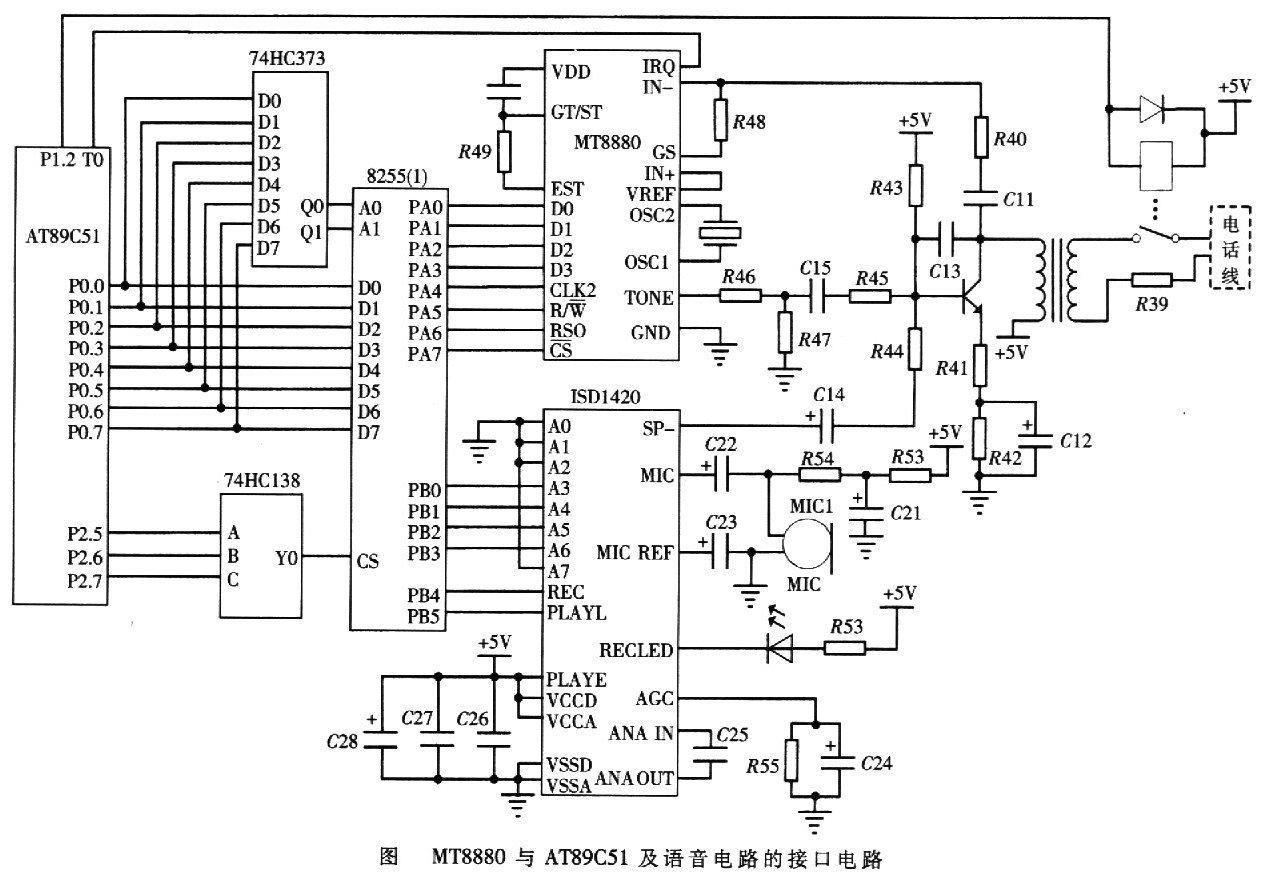
介紹了以AT89C5l單片機作為控制的自動撥號、檢測和放音的智能語音撥號報警系統。重點論述了自動撥號和語音部分的電路結構與工作原理方法。 電話自動報警的主要功能為:用戶...
分類:報警控制 時間:2014-10-27 閱讀:1302
該系統以凌陽公司的16位單片機SPCE061A作為主控制器,通過煙霧傳感器與人體熱釋電紅外傳感器分別感應煙霧與人體紅外信號,通過單片機做出報警動作。采用兩片凌陽單片機作為...
分類:報警控制 時間:2014-10-13 閱讀:2256
以單片機MSP430F149 為主控芯片,設計出一款高、高集成度、超低功耗的智能火災報警系統。以環境溫度、煙霧濃度作為判斷火災的依據,完成了對火災的預警。主要由單片機控制...
分類:報警控制 時間:2014-10-11 閱讀:3972
以下就是自制摩托車防盜報警喇叭原理圖及解釋說明: 自制摩托車防盜報警喇叭在有人動車時,振動傳感器ZC接到振動信號,經IC1D放大,再通過 C3、R7組成的微分電路,將...
分類:報警控制 時間:2014-08-13 閱讀:2131
電路工作原理:將報警器安裝在室內的墻壁或窗框上,如有地震活動,小磁鐵B會首先感受到縱波的沖擊,當沖擊力超過20 g時,即可使小磁鐵B上、下運動,霍爾元件輸出高電位,vs...
分類:報警控制 時間:2014-08-08 閱讀:1583
瓦斯超限報警礦燈,可利用礦燈或礦燈安全帽進行改裝。它能在礦井內瓦斯氣體超發出閃光報警信號,提醒礦工注意安全。 電路工作原理 該瓦斯超限報警礦燈電路由氣體...
分類:報警控制 時間:2014-07-01 閱讀:1415
圖1是它的電路圖,它是在音響電路中從兩個電阻之間引出一個探頭改為雨水報警器的。用覆銅板照圖2做一個探頭,接到音響電路中,當雨水滴在探頭上,使電路導通,便會發出音響...
分類:報警控制 時間:2014-06-16 閱讀:2527
電路包括發射器和接收器兩部分,前者由運算放大器0I組成,電容C3可整定脈沖頻率到1kHz左右,電位器RP2調整脈沖超聲波寬度,電位器RP1限制發射電流不超過允許值。 接收...
分類:報警控制 時間:2014-05-29 閱讀:1700
當鐵絲網Fe完好時,LSE的①、②腳間串通,其④腳輸出高電平,三極管VT截止,繼電器J處于釋放狀態,報警器不工作。如果鐵絲網Fe被人剪斷(任意一段),此時LSE的①、②腳相...
分類:報警控制 時間:2014-04-28 閱讀:1491
今天為大家分享的是一個由單片機控制的簡易定時報警器電路。本電路要求根據設定的初始值(1-59 秒)進行倒計時,當計時到0 時數碼管閃爍“00”(以1Hz 閃爍),按鍵功能如...
分類:報警控制 時間:2014-03-05 閱讀:1958
本文介紹的抽油煙機報警控制電路主要包括兩部分:一部分如下圖(a)所示的是報警電路;另一部分如圖(b)所示為報警穩壓電源電路。
分類:報警控制 時間:2014-02-27 閱讀:1589
今天將為大家分享一款微型無線報警發射機的電路圖。本報警器電路簡單,可通過改變其發射端的傳感器,并設置VD5026/5027的地址碼、狀態碼可大大拓展本報警器的用途(如多路...
分類:報警控制 時間:2014-02-26 閱讀:1419
本文今天分享的是一款帶電源供電電路的多路激光防盜報警器電路圖。如下圖所示,其中VT1、VT2、RL1、RP1、R1、K、VD6構成光控開關,白天光敏電阻RL1在光照下處于低阻態,VT1...
分類:報警控制 時間:2014-01-13 閱讀:2641
今天本文介紹的無線防盜報警系統中主機的制作,采用了AT89C2051單片機作為中央處理芯片,編碼采用PT2262的無線探頭,使得該系統的功能擴展比較方便,對于整個系統如需改變...
分類:報警控制 時間:2014-01-09 閱讀:1735


























