三極管用的最多的,其實是開關電路。下面分別介紹PNP型和NPN型的三極管。先說PNP型的三極管,常用的型號有9012,8550等等。如何使用呢,如下圖: FM是一個蜂鳴器,8...
分類:開關電路 時間:2015-03-02 閱讀:16237
指紋識別是生物特征識別的一種,它利用指紋特征的惟一性和終身不變性對個人身份進行,具有極高的安全性和易用性。本文將指紋識別技術應用于汽車防盜系統中,并結合GSM無線...
分類:開關電路 時間:2014-10-20 閱讀:3503
本例介紹的紅外遙控開關,可使用電視機、影碟機、錄像機等家電的遙控器控制其開與關,而不需專用配套的遙控器。該遙控開關可用于控制照明燈和排風扇等電器。 電路工作...
分類:開關電路 時間:2014-07-14 閱讀:1917
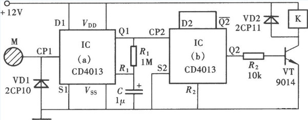
該電路可以控制220V交流電網上200W功率負載的通斷。若功率僅為50W,則雙向晶閘管可不接散熱器。帶有一定滯環的動作點約為100lx日照光。在光照較弱時光敏電阻呈高阻值,故使...
分類:開關電路 時間:2014-05-04 閱讀:1884
工作原理:該裝置的電路工作原理如圖。該密碼電子開關設計了三個開鎖按鈕,并在電路、誤碼鎖和電子報警電路。只有正確地按動開鎖按鈕AN1、AN2、AN3才能使繼電器J1勵磁吸合...
分類:開關電路 時間:2014-04-29 閱讀:2768
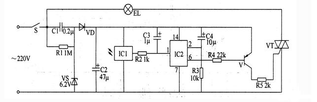
本電路介紹的是一種聲、光雙控節能開關,白天光纖較強,光敏管D受光導通,此時無論有無聲音觸發,IC的1腳為低電平,經c、d、e、f作用后,8腳為低電平,可控硅截止,燈泡不...
分類:開關電路 時間:2014-04-21 閱讀:1402
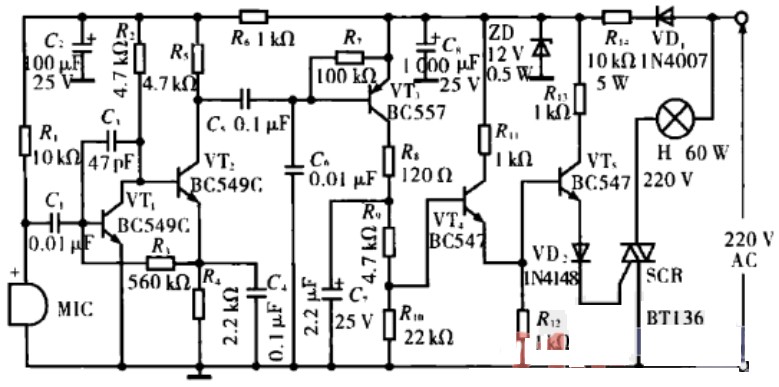
本文介紹的是一款聲控式音樂同步開關電路圖。本電路用電容式話筒來感測聲音,并將它轉換成電信號的變化,然后經由三極管VT1和VT2構成的直接耦合放大器放大后送至開關電路。...
分類:開關電路 時間:2014-03-12 閱讀:1611
自鎖互鎖開關在電器上使用很廣泛,一般都是機械式,缺點是:體積大,易磨損,按觸力大,轉換速度低。本文所介紹的電子式自鎖互鎖開關可以克服上述缺點。 電路中的開關...
分類:開關電路 時間:2014-03-06 閱讀:2356
今天本文為大家介紹一款新穎的單電極觸摸開關電路,它采用了僅有一個觸摸電極的控制方式,每觸摸電極,電路將控制開關(開或關)動作,如同普通的機械式開關一樣,使用非常...
分類:開關電路 時間:2014-02-21 閱讀:2675
本文介紹的觸摸式水龍頭節水開關,與普通水龍頭開關比較,具有使用方便、靈敏、衛生、可靠的優點。由于該開關是完全密封的,因此在北方的冬季可以把它包裹起來,在0℃以下...
分類:開關電路 時間:2014-02-19 閱讀:3342
觸摸開關主要是應用觸摸感應芯片原理設計的一種墻壁開關,是傳統機械按鍵式墻壁開關的換代產品。能實現更智能化、操作更方便的觸摸開關有傳統開關不可比擬的優勢,是目前家...
分類:開關電路 時間:2014-02-12 閱讀:5554
本文所介紹的靈敏光控開關電路主要是由光敏三極管所構成的。如下電路圖所示,本電路由于采用了達林頓型光敏三極管作敏感元件,所以對弱光較敏感。適用于對反射光信號的檢測...
分類:開關電路 時間:2014-02-11 閱讀:1552
延時節電開關是一種樓道照明燈或其它用電設備的自動延時開關裝置。它采用電子器件、脈沖技術及無觸點開關技術。如樓道每個單元只裝一臺,用三根導線連接樓道各層位的按扭開...
分類:開關電路 時間:2013-12-03 閱讀:3031
下面為一款雙聯雙控開關電路圖。 這款電路圖中sa1,sa2是開關,圖中的開關是關著的。n線直接進燈頭,你按sa1火線就連同了按sa2就斷開了。
分類:開關電路 時間:2013-10-12 閱讀:3658
如下圖,是利用晶體三極管開關特性的簡易模擬觸摸形狀電路。 當接通電源時,VTl-VT4均處于截止狀態,繼電器線圈中無電流通過,繼電器常開觸點斷開,發光二極管V...
分類:開關電路 時間:2013-09-10 閱讀:5604
電路組成 下圖是聲、光、觸摸三控延時自熄開關的電氣原理圖,該電路由電源電路、信號檢測轉換電路、延時電路和控制電路組成。 1.電路組成 (1)電源電路。...
分類:開關電路 時間:2013-09-06 閱讀:3789


























