如下圖所示為一款力矩電機式調節器電路。電路中的調速觸發器采用單結晶體管觸發電路,經三極管功率放大,能可靠地觸發KS50A的雙向晶閘管。
分類:晶閘管控制 時間:2014-03-18 閱讀:3003
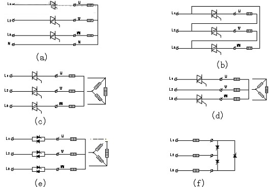
如下圖所示為三相晶閘管交流調功器主電路六種聯結型式電路。其中①帶中線星形聯結(1型電路) 圖4a;②開三角聯結(2型電路)圖4b;③無中線星形聯結(3型電路) 圖4c;④三相...
分類:晶閘管控制 時間:2014-02-14 閱讀:2162
如下圖所示的是一款新穎的晶閘管調光燈電路,它不僅可以捌光,面凡每次開燈時,燈光可由暗到亮;關燈時,燈光則由亮到暗漸變。該電路采用220V交流市電(即交流電,懈稱)經...
分類:晶閘管控制 時間:2013-12-16 閱讀:1703
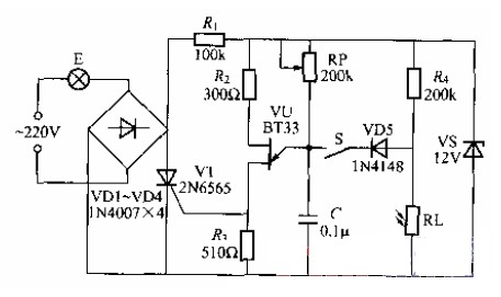
本文介紹的是一款具備穩光功能的晶管調光燈電路圖。如下圖所示,圖中S為穩光開關,當S打開時,占是一個普通的單向晶閘管調光器,調節電位器RP,可隨意調節燈泡E的亮度。當。...
分類:晶閘管控制 時間:2013-12-12 閱讀:2359
本文所介紹的具有自動跟蹤周圍環境亮度的調光燈電路圖,它是在普通雙向晶俐管塒光器的基礎E增加了一個光挖電路,利用雙向晶閘管調光器,從而使它具有自動跟蹤周圍環境亮穩光...
分類:晶閘管控制 時間:2013-12-10 閱讀:1753
本文將介紹的是一款接法新穎的并具有穩光功能的晶閘管調光燈電路圖。其中R、R.與RI,、RP接成兩個分壓器,其分壓點分別接三極管VT1的發射極與基極。當環境光線較暗時,光敏...
分類:晶閘管控制 時間:2013-12-04 閱讀:2084
雙向晶閘管應用于單相電感性負載控制電路 如圖為雙向晶閘管應用于單相電感性負載控制電路。由于電感性負載在電源的通和斷的瞬間會產生自感電動勢,而且電壓上升率較大...
分類:晶閘管控制 時間:2011-08-08 閱讀:3536
用單結晶體管構成的晶閘管觸發電路如圖1 所示,觸發電路的有關電壓波形如圖2 所示。與單結晶體管構成弛張振蕩電路相比較,電路的振蕩部分相同,同步是通過對電源電路的改進...
分類:晶閘管控制 時間:2011-02-06 閱讀:5008
穩定的四晶體管定時器電路如下圖所示,在集成電路定時器的應用中,有時會同到噪聲脈沖干擾而使定時器產生偽定時周期。該電路平時所有晶體管都斷開時,C被充電,直至Tr2導通...
分類:晶閘管控制 時間:2011-01-18 閱讀:2893
可控整流電路的作用是把交流電變換為電壓值可以調節的直流電。圖20-1所示為單相半控橋式整流實驗電路。主電路由負載RL(燈炮)和晶閘管T1組成,觸發電路為單結晶體管T2及...
分類:晶閘管控制 時間:2010-07-22 閱讀:12162
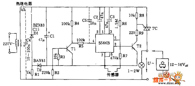
該電路供電電壓為12~16V,可用于玩具火車等低壓器具,采用S566B作為產生控制晶閘管導通的觸發電路,直流電源由整流 穩壓電路供給,R1為降壓電阻,使穩壓管上只有很低的電壓...
分類:晶閘管控制 時間:2010-07-22 閱讀:2441
早期的無刷直流電機根據容量不同,可分為晶體管驅動電機和晶閘管驅動電機兩種。一般低壓小容量的無換向器電機采用晶體管電機的方案;而容量較大的,通常都是晶閘管電機。由...
分類:晶閘管控制 時間:2010-06-26 閱讀:5713
如圖所示為采用雙向晶閘管的延遲燈電路。電路延遲時間除與C1、C2、R4數值有關外,還與按鍵時間長短有關。VTH可用MAC94A4、MAC97A6型等雙向晶閘管,VT1、VT2的β值均應大于2...
分類:晶閘管控制 時間:2010-05-03 閱讀:4980
如圖是一個最簡單的雙向晶閘管調光燈電路,雙向晶閘管的特點是只要在其控制極上加上適當的觸發脈沖或控制電流,無論在交流的正半周還是負半周,均可導通,導通時間與所加的...
分類:晶閘管控制 時間:2010-04-26 閱讀:7493
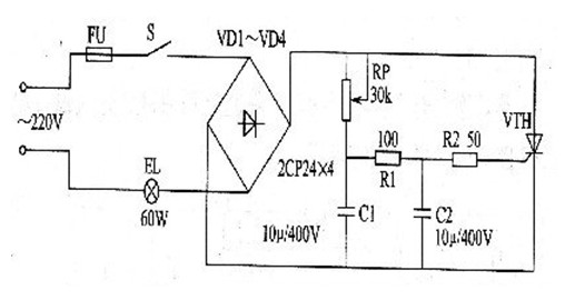
如圖是一個利用阻容元件構成觸發電路的單向晶閘管調光燈電路,220V交流電經VD1~VD4橋式整流變成直流脈動電壓,加到晶閘管VT的陽極與陰極之間。 RP、R與C2組成觸發電路,直...
分類:晶閘管控制 時間:2010-04-26 閱讀:4488


























