故障現象:2003款廣本雅閣(3.0l)轎車發動機故障燈亮,加速不良。 故障診斷與排除:首先讀取故障碼,故障碼為p0506,其含義是怠速空氣控制系統低于期望值,可能原因是iacv閥堵塞、漏氣或有敬障。 查閱維修資料3.0l發動機iacv閥無此故障碼。于是更換電子節氣門體試車,故障排除。 必須注意的是,故障碼雖然顯示是怠速控制閥故障。但是2003款雅閣(3.0l車)沒有怠速電動機,它是依靠電子節氣門體來控制怠速,所以更換電子節氣門即可。 來源:ks99
故障現象:上海別克gs轎車,配備3.0l v6發動機,該車無法啟動,且儀表板上的se-curity(安全)指示燈不停地閃爍。 故障診斷與排除:啟動發動機,啟動機沒有反應。測量蓄電池電壓為12.5v,正常。用通用故障診斷儀tech 2讀取發動機控制模塊(pcm)和車身控制模塊(bcm)的故障碼,pcm沒有故障碼,bcm有兩個故障碼,分別為b2960和b2961。其中,b2960含義為無效的鑰匙代碼被提供;b2961含義為點火鑰匙電路故障。說明該車的防啟動控制系統有問題。 該車的防啟動控制系統是防止他人使用私自配制的點火鑰匙來盜竊車輛的安全防護裝置。防啟動控制系統主要由帶有電阻晶片的鑰匙、點火鑰匙信號接收器(也稱應答器)、bcm、pcm、防啟動控制指示燈和儀表板模塊安全燈(ipc)等組成,整個系統由bcm和pcm進行控制。防啟動控制系統各部件組成如圖1所示。 圖1 別克轎車防啟動控制系統部件 該車采用具有防盜功能的萬能鑰匙(pass-keyii)點火開關,當點火開關鑰匙內的電阻片與點火開關鎖芯內的傳感觸點相接觸,即當鑰匙和鎖芯—起轉動時,bc
故障現象:2003款北京帕杰羅速跑(pajer0 sport)3.0l汽車,自動定速巡航失效。 故障診斷與排除:該車巡航系統與其他車型定速巡航系統大致相同,在結構上,該系統將真空執行器與節氣門融合一體,取消中間連線和拉線,其中控制開關不僅能操作自動定速巡航,同時對于定速巡航中的故障,可以人工讀取故障碼,這一點是與其他車型不同之處。 根據上述故障現象,先讀取故障碼,具體瀆碼方法如下(不用mut-ⅱ)。 (1)在接通設定開關set的情況下,將點火開關打到on位。 (2)在is內接通恢復開關(resume)。 (3)再次接通設定開關set,踩制動踏板5s或更長時間,通過cruise燈閃亮讀取故障碼。 讀得故障碼12,其含義是車速傳感器信號異常。于是仔細檢查車速傳感器及其線路,發現其插線脫落。將插線插好后,試車,自動定速巡航系統功能恢復,故障排除。 歡迎轉載,信息來源維庫電子市場網(www.qxvs.cn) 來源:ks99
故障現象:2003年生產的上海別克gl8乘用車,裝備3.0l v6發動機及4765-e型電控液力自動變速器。該車在變速器選擋桿位于d位起步時有沖擊現象,但高速和減速行駛時正常。 故障診斷與排除:啟動發動機,發動機運轉平穩,怠速轉速為800r/min。將選擋桿置于n擋時踩加速踏板,發動機轉速提升很快,能達到5 000r/min以上,且運轉平穩無異響,說明發動機無故障。檢查自動變速器油(ate),液面高度在標準范圍內,但油質已呈暗褐色(正常情況應為紅色)。 該車4t65-e型自動變速器采用壓力控制電磁閥和換擋電磁閥進行擋位變換。 壓力控制電磁閥是一種脈沖式電磁閥,電磁閥在脈沖信號的作用下不斷反復地開啟和關閉泄油孔,pcm通過改變脈沖寬度,即占空比(電流接通和斷開的時間比例),來改變電磁閥的開啟時間比例。電磁閥開啟的時間長油壓就低,開啟的時間短油壓就高,從而達到控制油路壓力的目的,以保證換擋時離合器接合平穩、制動器制動柔和。 換擋電磁閥是一種開關式電磁閥,4t65-e型自動變速器配有兩個換擋電磁閥,可實現4種組合(即4個前進擋)。pcm通過控制換擋電磁閥的通電或斷電,使油
故障現象:2004年產廣州本田雅閣3.0l轎車,有時加油不走車,但將車熄火,重新啟動則能夠繼續行駛。 故障診斷與排除:根據上述故障現象,懷疑變速器控制單元因受到干擾產生錯誤信號。先檢查火花塞和點火線圈,沒有發現異常。 接著利用故障診斷儀hds對此車做了“行車記錄器”,分析得知變速器在4擋的位置上打滑,繼續前行變速器仍然沒有減擋,當時間達到55s時,變速器由4擋降到1擋。 利用故障診斷儀hds對變速器控制系統進行檢測,未發現任何故障碼。 仔細檢查發現車輛在冷車啟動后變速器內會發出“吱吱”的異響聲,類似氣流的聲音,懷疑變速器的油路有問題。 于是測量變速器的系統油壓,顯示主油壓偏低,初步確定為變速器油濾芯過臟。 拆檢變速器發現變速器油濾芯已被堵死。清潔并更換新件后,故障排除。 來源:ks99

如圖所示別克3.0L發動機點火電路圖
97年凌志ES300 3.0L 發動機性能電路圖如下所示:

歡迎轉載,信息來源維庫電子市場網(...
96年凌志ES300 3.0L發動機性能電路圖如下所示:

95年凌志ES300 3.0L發動機性能電路圖如下所示:

歡迎轉載,信息來源維庫電子市場網(<...
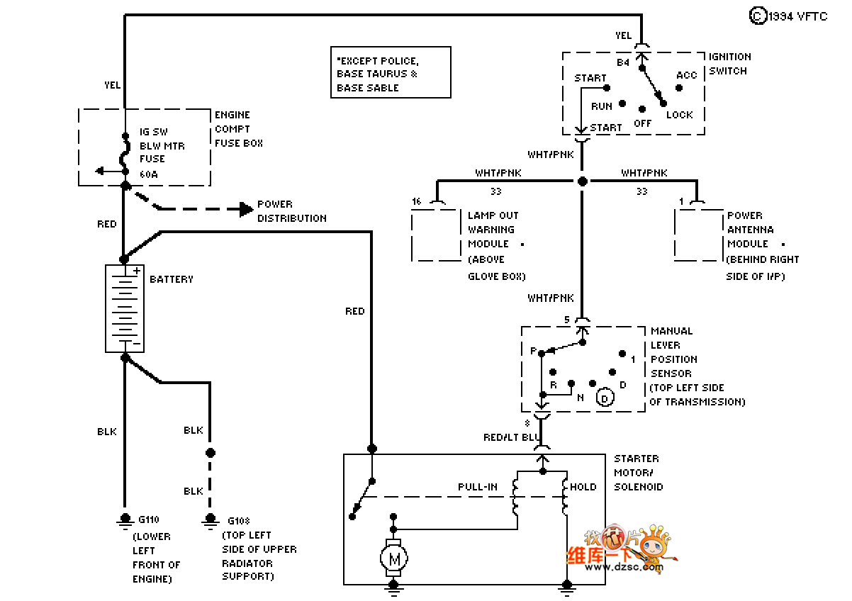
馬自達94TAURUS(3.0L)起動電路如下圖所示:

歡迎...
2010年,德國保時捷將上市suv的混合動力車“cayenne s hybrid”。cayenne s hybrid的動力傳動系統是由德國奧迪生產的帶超增壓器的3.0l直噴v型6缸發動機、輸出功率為38kw的ni-mh(鎳氫)充電電池、馬達及8速自動變速箱組成。配備了在發動機及變速箱之間設置馬達的并聯式混合動力系統,實現了與v型8缸發動機車同等的動力性能,以及與4缸發動機車同等的燃效。 充電電池重量約為70kg,尺寸為348×632×292mm,可收納在放置備用輪胎的空間內,因此行李艙容量與普通車型相同。發動機的最高輸出功率為248kw(333hp),最大扭矩為439n·m/2900~5300rpm。馬達的輸出功率為39kw(52hp),扭矩為300n·m。從停止狀態加速至100km/h需要6.8秒。eu綜合燃效為11.1km/l以上,符合美國尾氣排放規定“ulev ii”。cayenne s hybrid與具有同等輸出功率的發動機車相比,co2排放量削減了2成左右。 混合動力系統除了馬達及發動機組合使用的模式之外,還備有僅利用馬達和僅利用發動機的模式。僅利用馬達時可從停止狀態
如圖所示別克3.0l發動機點火電路圖 來源:university
97年凌志es300 3.0l 發動機性能電路圖如下所示: 歡迎轉載,信息來源維庫電子市場網(www.qxvs.cn) 來源:與你同行
馬自達94taurus(3.0l)abs電路如下圖所示: 歡迎轉載,信息來源維庫電子市場網(www.qxvs.cn) 來源:lover
96年凌志es300 3.0l發動機性能電路圖如下所示: 歡迎轉載,信息來源維庫電子市場網(www.qxvs.cn) 來源:與你同行
95年凌志es300 3.0l發動機性能電路圖如下所示: 歡迎轉載,信息來源維庫電子市場網(www.qxvs.cn) 來源:與你同行