96年富豪960電動窗電路圖如下所示: 歡迎轉載,信息來源維庫電子市場網(www.qxvs.cn) 來源:與你同行
分類:沃爾沃 時間:2010-11-09 閱讀:2053
96年富豪960電動座椅電路圖如下所示: 歡迎轉載,信息來源維庫電子市場網(www.qxvs.cn) 來源:Lover
分類:沃爾沃 時間:2010-11-09 閱讀:2009
96年富豪960記憶座椅電路圖如下所示: 歡迎轉載,信息來源維庫電子市場網(www.qxvs.cn) 來源:Lover
分類:沃爾沃 時間:2010-11-09 閱讀:2133
96年富豪960儀表板電路圖如下所示: 歡迎轉載,信息來源維庫電子市場網(www.qxvs.cn) 來源:Lover
分類:沃爾沃 時間:2010-11-09 閱讀:2027
96年富豪960座椅加熱電路圖如下所示: 歡迎轉載,信息來源維庫電子市場網(www.qxvs.cn) 來源:與你同行
分類:沃爾沃 時間:2010-11-09 閱讀:2035
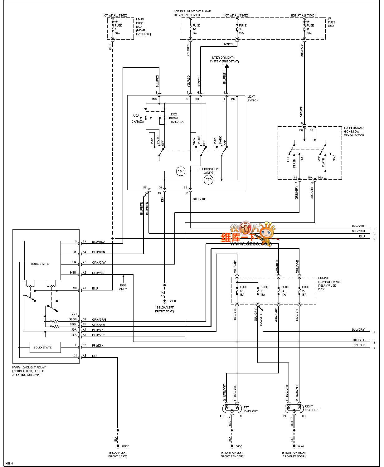
96年富豪960大燈及霧燈電路圖 如下所示: 歡迎轉載,信息來源維庫電子市場網(www.qxvs.cn) 來源:網絡菜鳥
分類:沃爾沃 時間:2010-11-09 閱讀:2147
96年富豪960外部燈電路圖(旅行車)如下所示: 歡迎轉載,信息來源維庫電子市場網(www.qxvs.cn) 來源:網絡菜鳥
分類:沃爾沃 時間:2010-11-09 閱讀:2107
96年富豪960 ABS電路圖如下所示: 歡迎轉載,信息來源維庫電子市場網(www.qxvs.cn) 來源:Lover
分類:沃爾沃 時間:2010-11-09 閱讀:1629
96富豪發動機性能電路圖(2.9L) 如下所示: 歡迎轉載,信息來源維庫電子市場網(www.qxvs.cn) 來源:Lover
分類:沃爾沃 時間:2010-11-09 閱讀:1730


























