在整流電路輸出的電壓是單向脈動性電壓,不能直接給電子電路使用。所以要對輸出的電壓進行濾波, 消除電壓中的交流成分,成為直流電后給電子電路使用。在濾波電路中,主要...
分類:濾波器電路 時間:2017-06-16 閱讀:10294
有源濾波電路 為了提高濾波效果,解決π型RC濾波電路中交、直流分量對R的要求相互矛盾的問題,在RC電路中增加了有源器件-晶體管,形成了RC有源濾波電路。常見的RC有源...
分類:濾波器電路 時間:2017-05-17 閱讀:20910
對電路圖進行識圖恐怕是每位從事電子設計的朋友必須要掌握的技能。但一張電路圖小則幾十大則上百的電路器件會讓人們在拿到的一瞬間覺得手足無措。其實不必驚慌,在接觸了一...
分類:濾波器電路 時間:2016-07-08 閱讀:3222
在本文中,為大家帶來有關濾波電路的特點與結構。感興趣的朋友快來看一看吧。 濾波電路 整流后得到的是脈動直流電,如果加上濾波電路濾除脈動直流電中的交流成分...
分類:濾波器電路 時間:2016-05-06 閱讀:2776
TI 高設計是由TI 模擬產品創建的模擬解決方案。經驗證的設計提供理論分析、器件選型、完整的印刷電路板(PCB)、可使用電路經測試過的性能。還討論了滿足可替代設計目標的...
分類:濾波器電路 時間:2014-11-28 閱讀:3052
通過將增益分為兩級,來自前置放大器的滿度R-R 信號可在引腳3 被濾波,并且通過輸出緩沖放大器能夠將濾波后的半滿度信號恢復到滿度信號。從A2 的反向輸入端看進去的源電阻...
分類:濾波器電路 時間:2014-05-13 閱讀:2448
以下為一款電磁干擾濾波器的原理電路,該五端器件有兩個輸入端、兩個輸出端和一個接地端,使用時外殼應接通大地。電路中包括共模扼流圈(亦稱共模電感)L、濾波電容C1~C4.L...
分類:濾波器電路 時間:2014-02-27 閱讀:3197
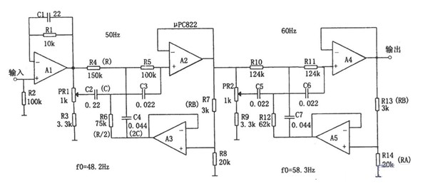
本文介紹的是一種對混入電源頻率噪聲濾出的濾波電路圖,該電路是采用一種雙T濾波器,可用來在放大(如傳感器等)微弱信號時,對混入的50Hz(或60Hz)電源頻率的噪聲進行濾...
分類:濾波器電路 時間:2013-12-10 閱讀:2600
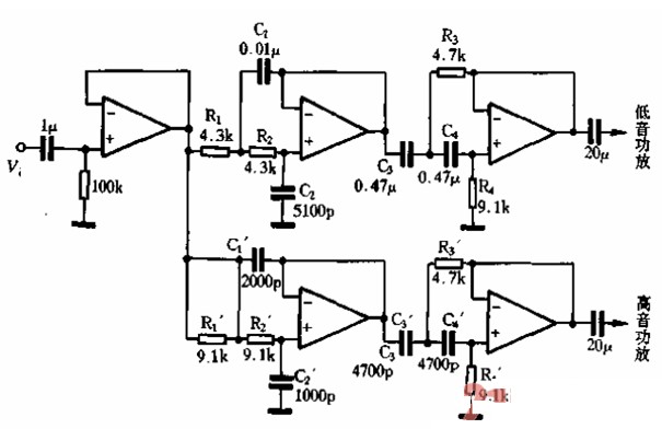
為了改進高通濾波器在截止頻率fc附近的頻率特性,本電路將高通濾波器和一個帶阻濾波器串聯,這樣可以改善高通濾波器的頻率特性。下圖中級為帶阻濾波器,由雙T網絡加負載電...
分類:濾波器電路 時間:2013-12-05 閱讀:2555
如下圖所示為高性能的陷波器電路.該電路利用高性能器件MC33171運放構成陷波器。該器件具有寬頻帶和高的轉換速率。在圖示元件數值下,通過改變兩個電阻R的值和一個電容C的值...
分類:濾波器電路 時間:2013-12-04 閱讀:3297
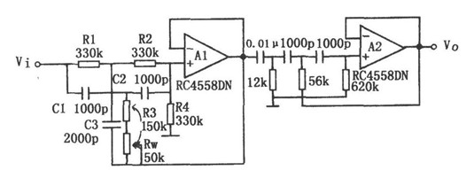
本文將介紹的是用單只運放組成的單峰特性濾波電路.如下圖所示,該電路用一只運放及少許元件構成濾波器,可以獲得與LC元件構成的具有同樣特性的濾波器電路,在不改變電路增...
分類:濾波器電路 時間:2013-12-03 閱讀:2056
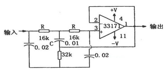
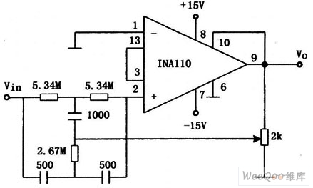
60Hz輸入陷波濾波電路 如圖為60Hz輸入陷波濾波電路。該陷波濾波器由儀器放大器INA110及雙T網絡組成。2kΩ電位器用于設置電路的Q值。當市電頻率為50Hz時,該濾波器的電...
分類:濾波器電路 時間:2011-08-29 閱讀:5431
電感濾波電路利用電感器兩端的電流不能突變的特點,把電感器與負載串聯起來,以達到使輸出電流平滑的目的。從能量的觀點看,當電源提供的電流增大(由電源電壓增加引起)時...
分類:濾波器電路 時間:2011-04-15 閱讀:6875
二階雙二次型帶通濾波電路 該帶通濾波器采用2節雙二次型帶通濾波電路,如圖3所示(圖中只畫出其中的1節),雙二次型電路雖然需要較多的元件,但它穩定性高,且調整方便....
分類:濾波器電路 時間:2011-04-10 閱讀:4678


























